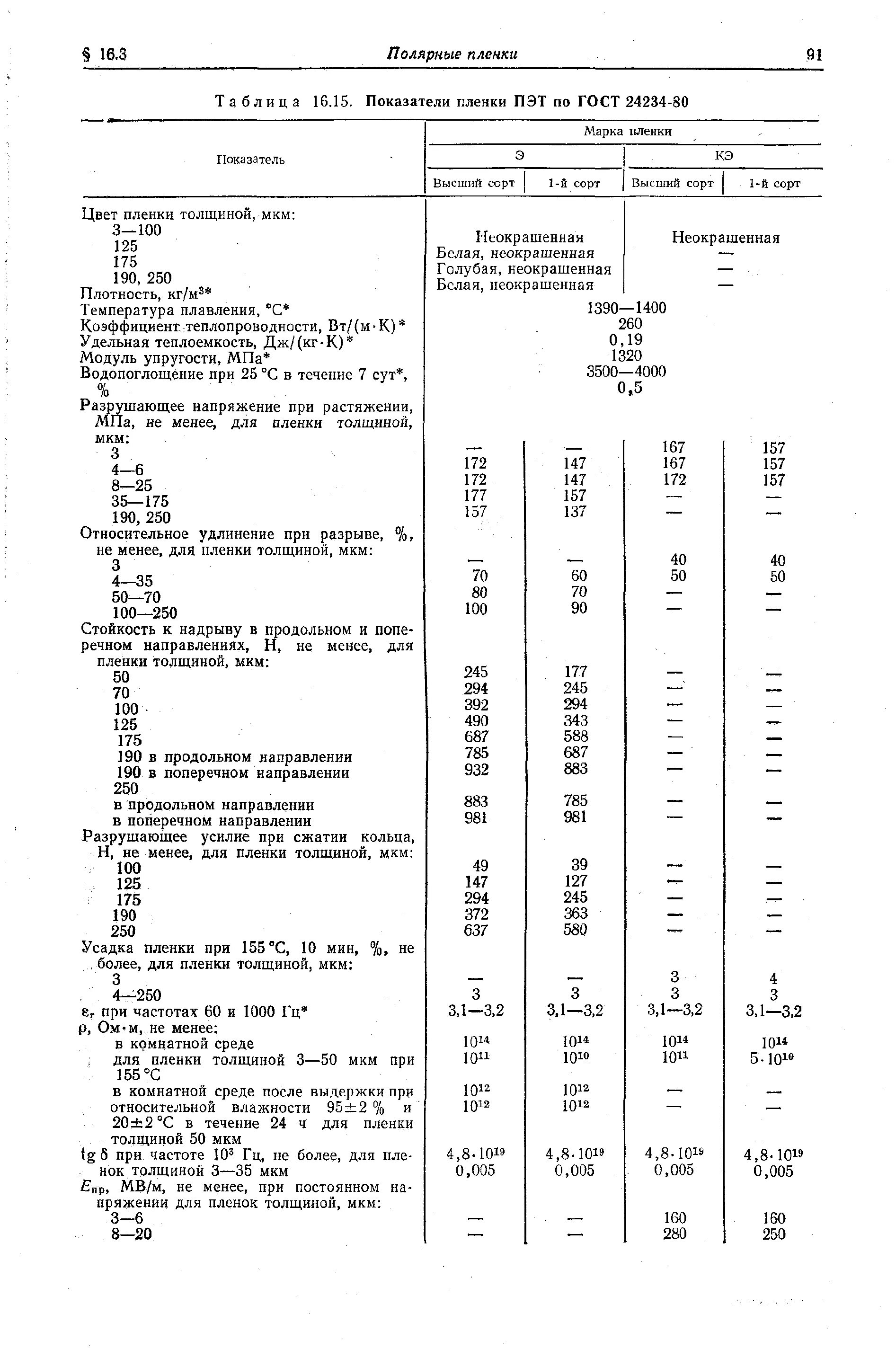
Плотность пэт