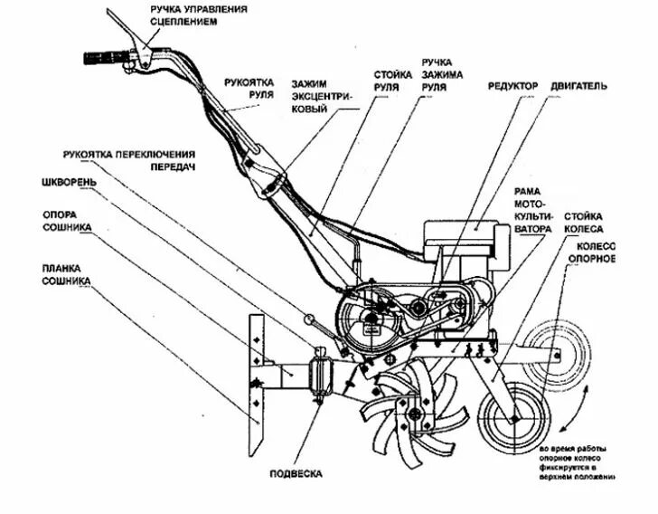
Почему мотоблок работает