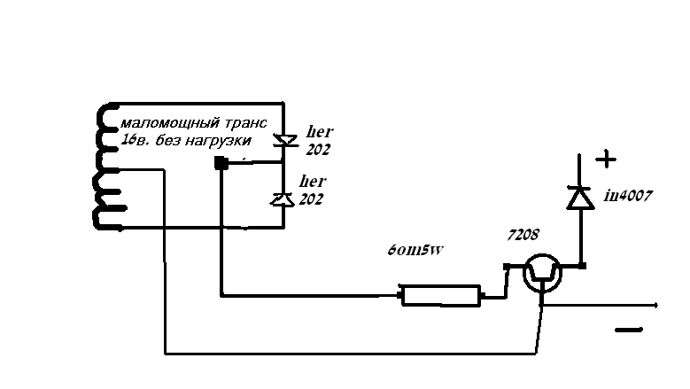
Почему зарядное устройство не заряжает аккумулятор