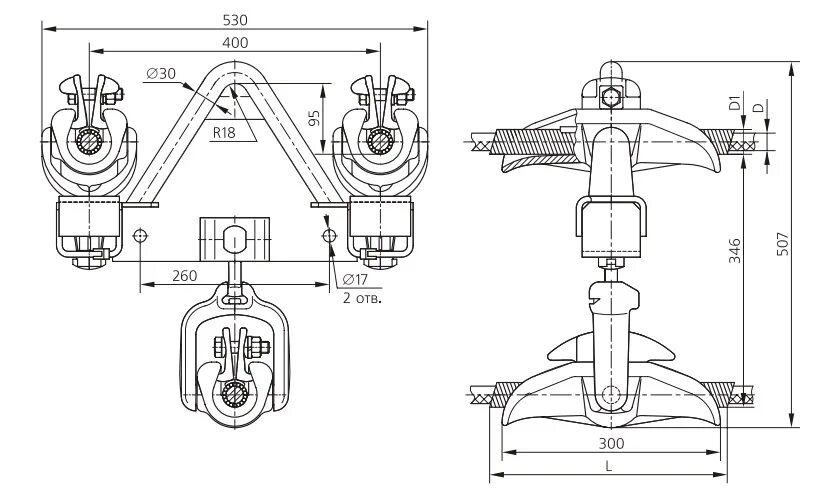
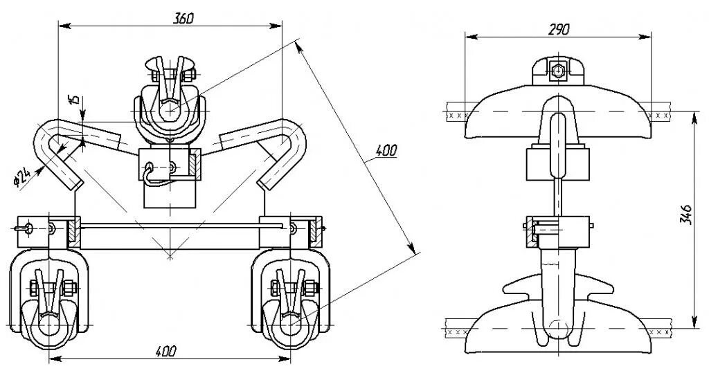
Поддерживающий пгн