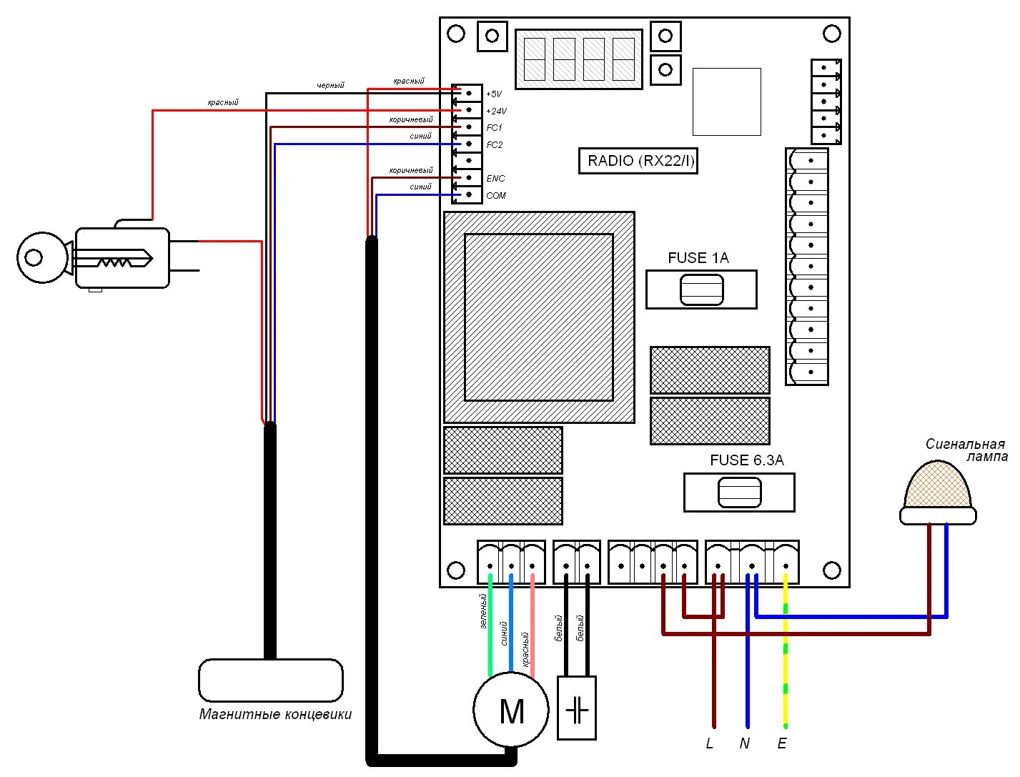
Подключаем привод распашных ворот