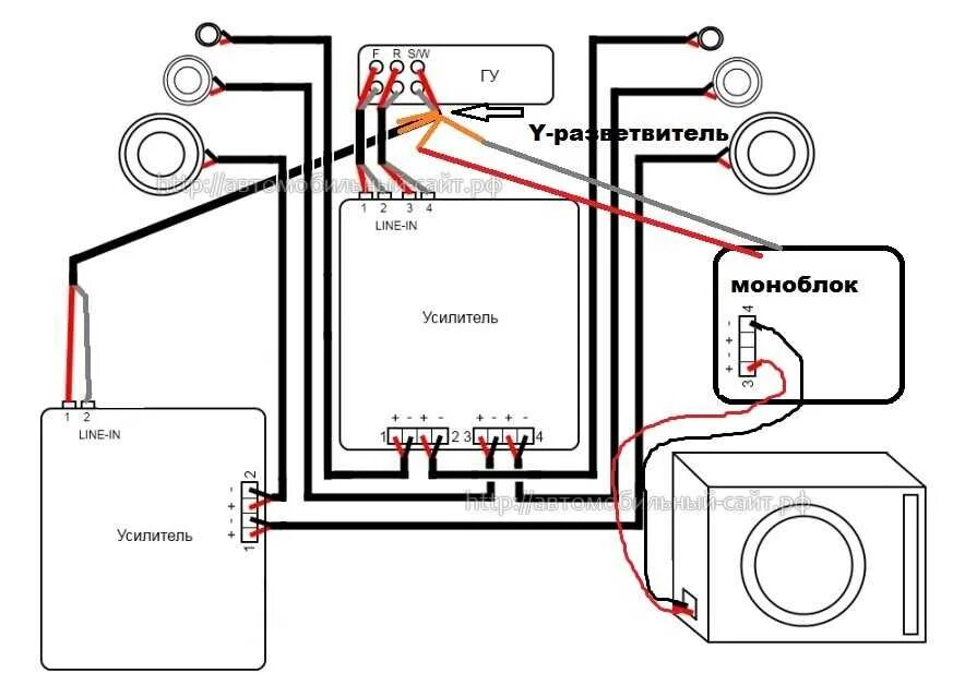
Подключение 2 усилителей