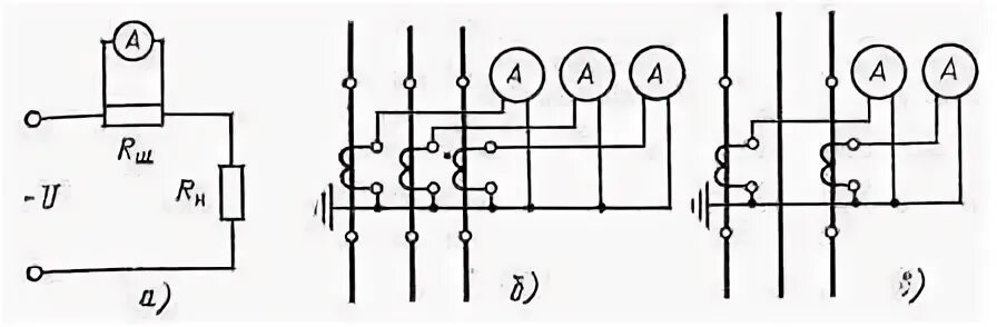
Подключение амперметра трансформатора тока