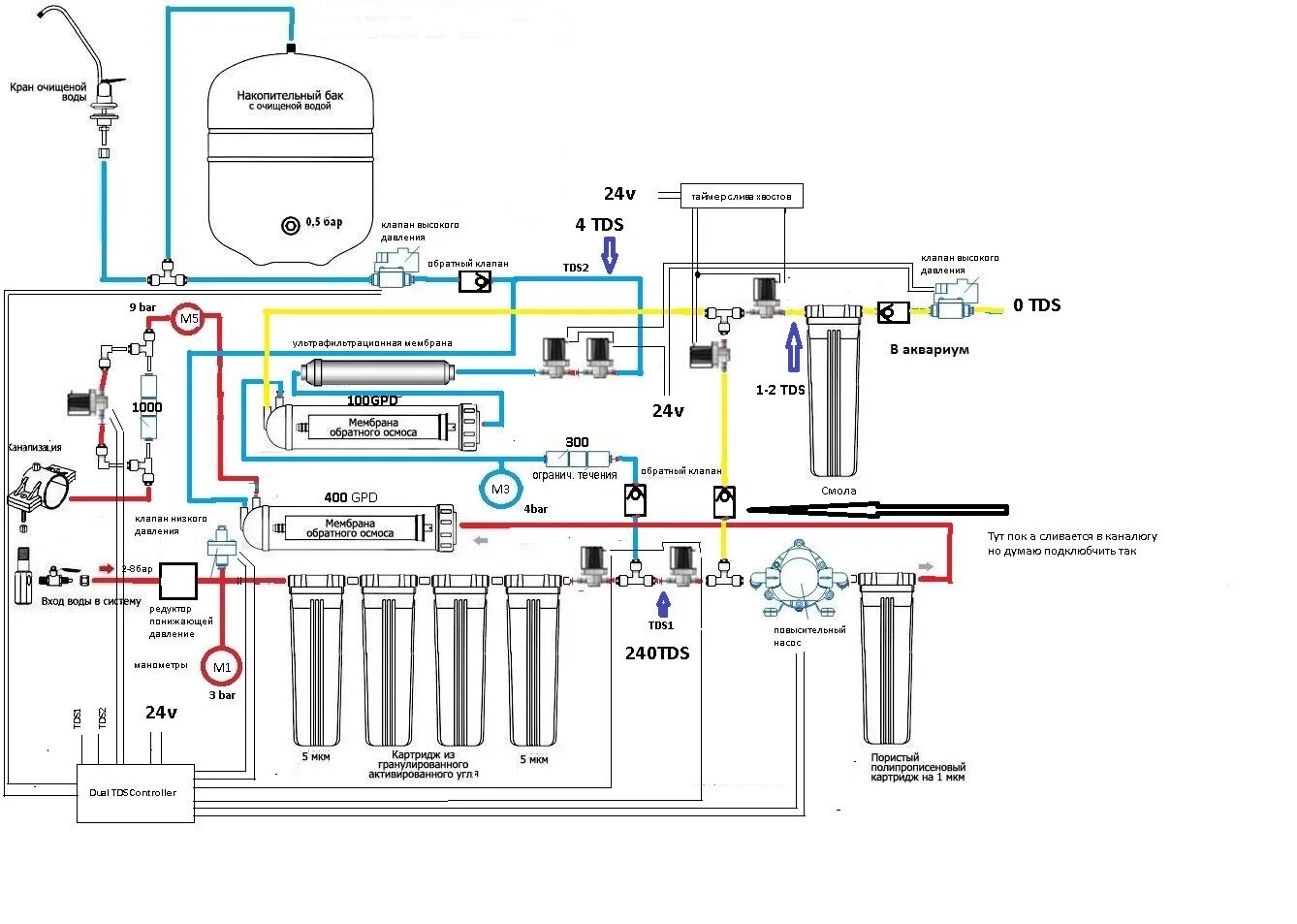
Подключение бака обратного осмоса