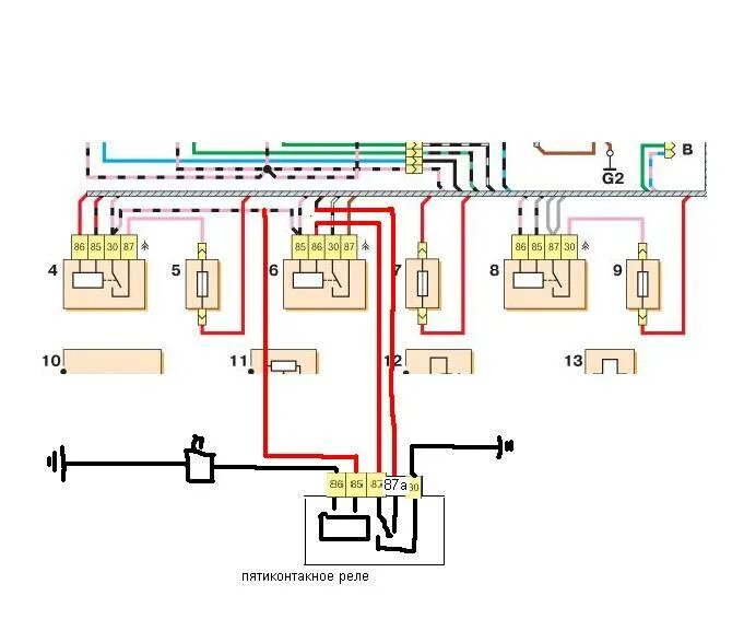
Подключение бензонасоса инжектор