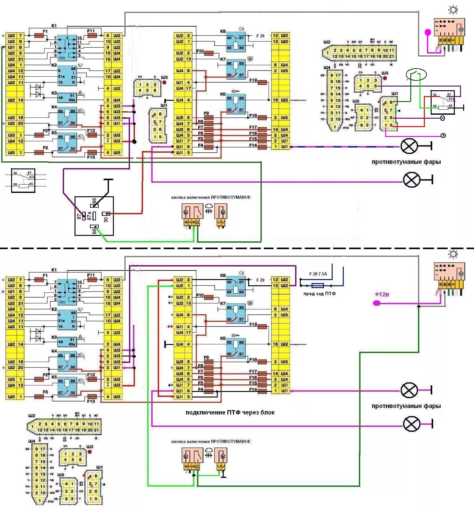
Подключение блока ваз 2110