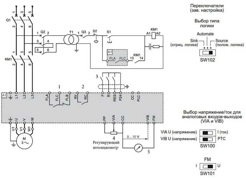
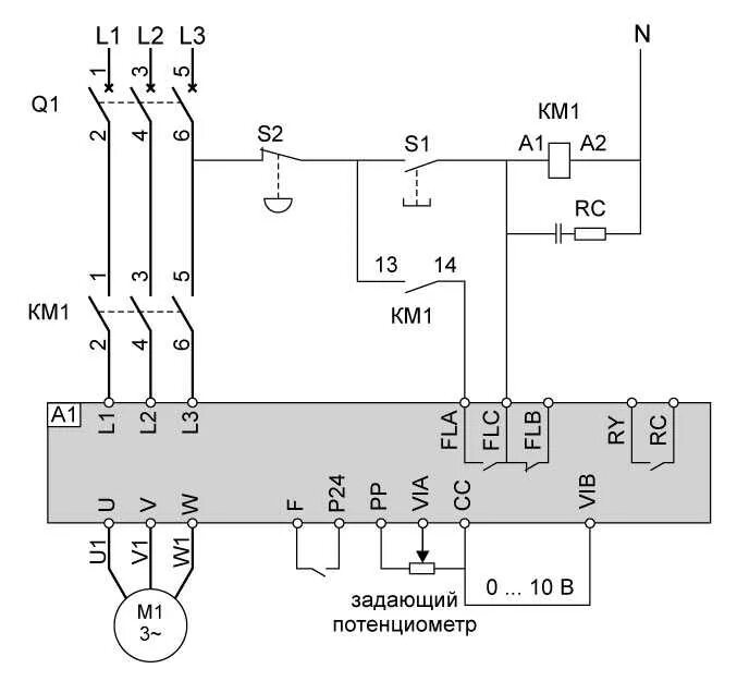
Подключение частотного преобразователя к электродвигателю