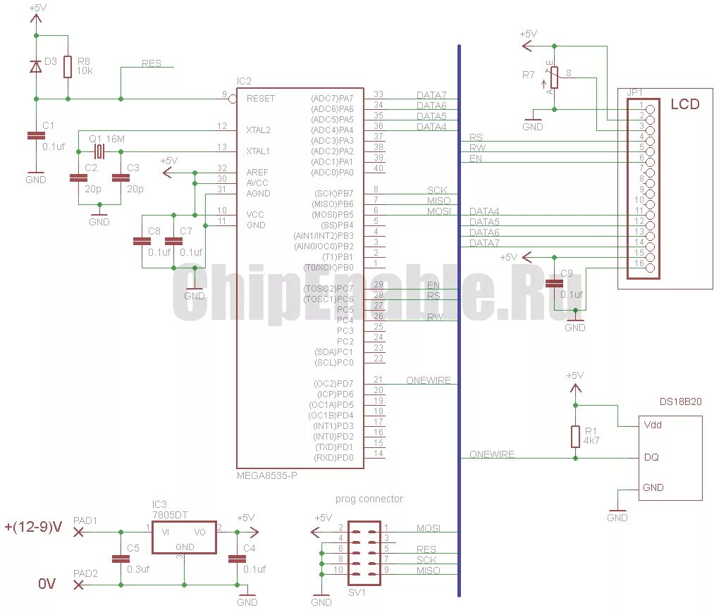
Подключение ds4