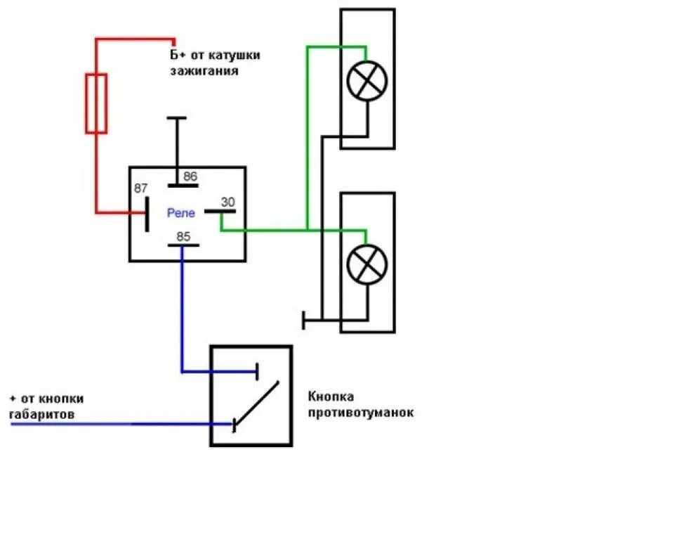
Подключение фар через кнопку