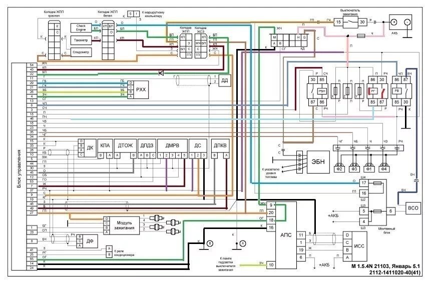
Подключение инжекторов