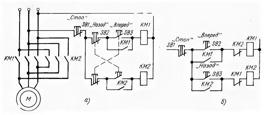
Подключение кнопки реверсивного пускателя