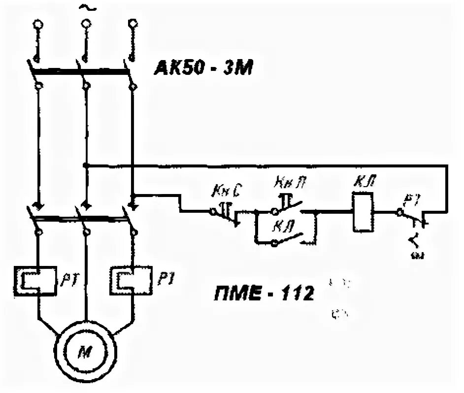
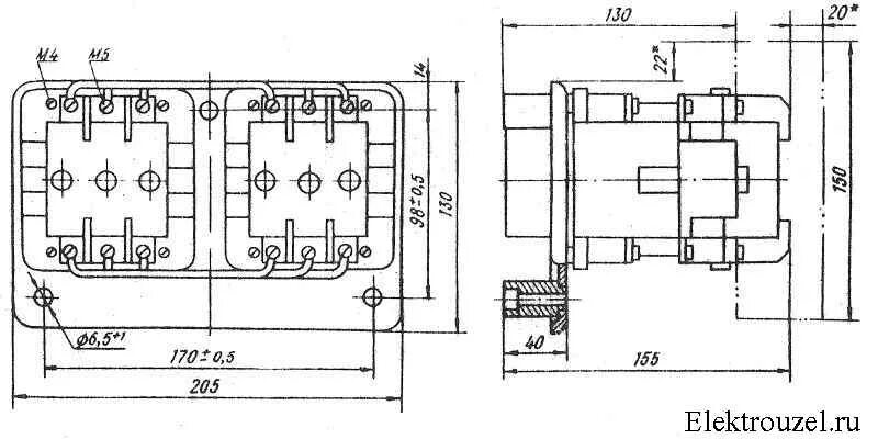
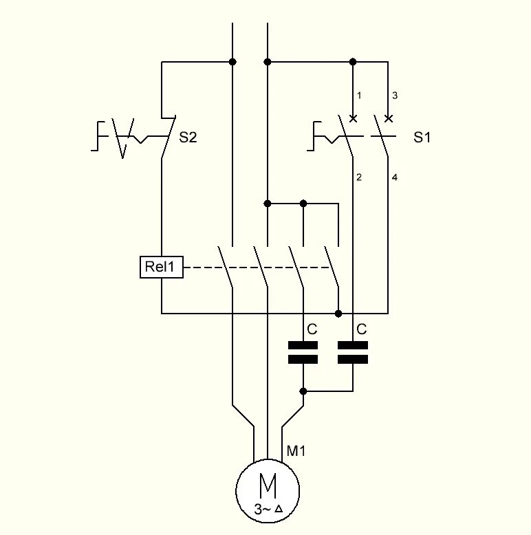
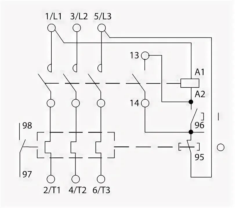
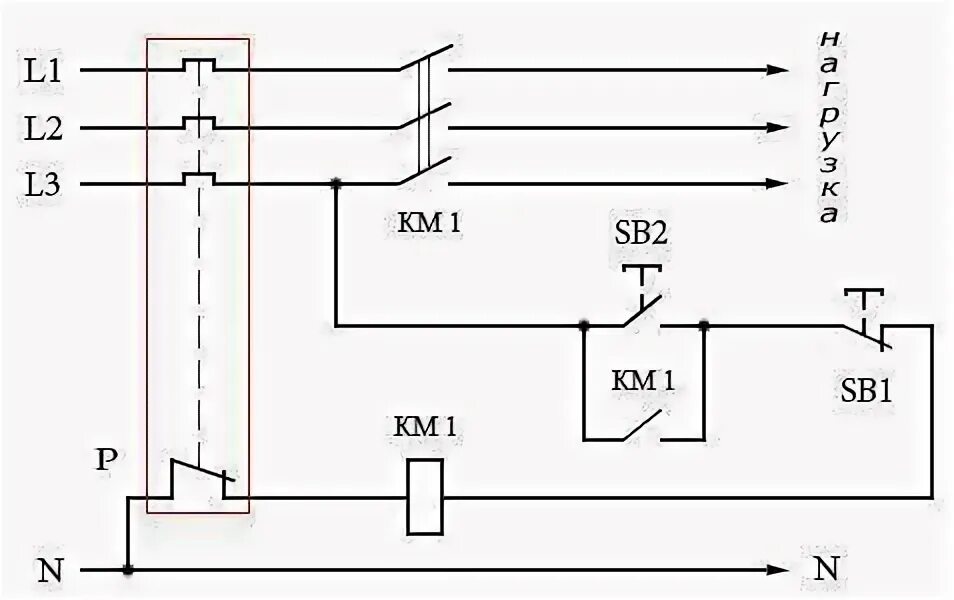
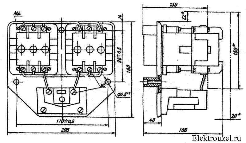
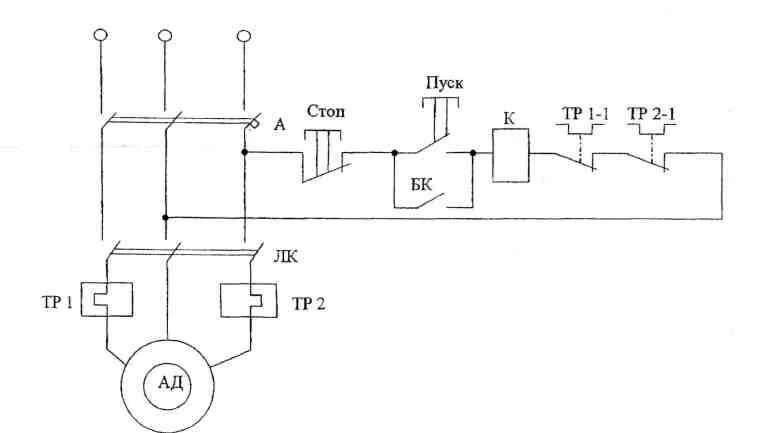
Подключение пме 211