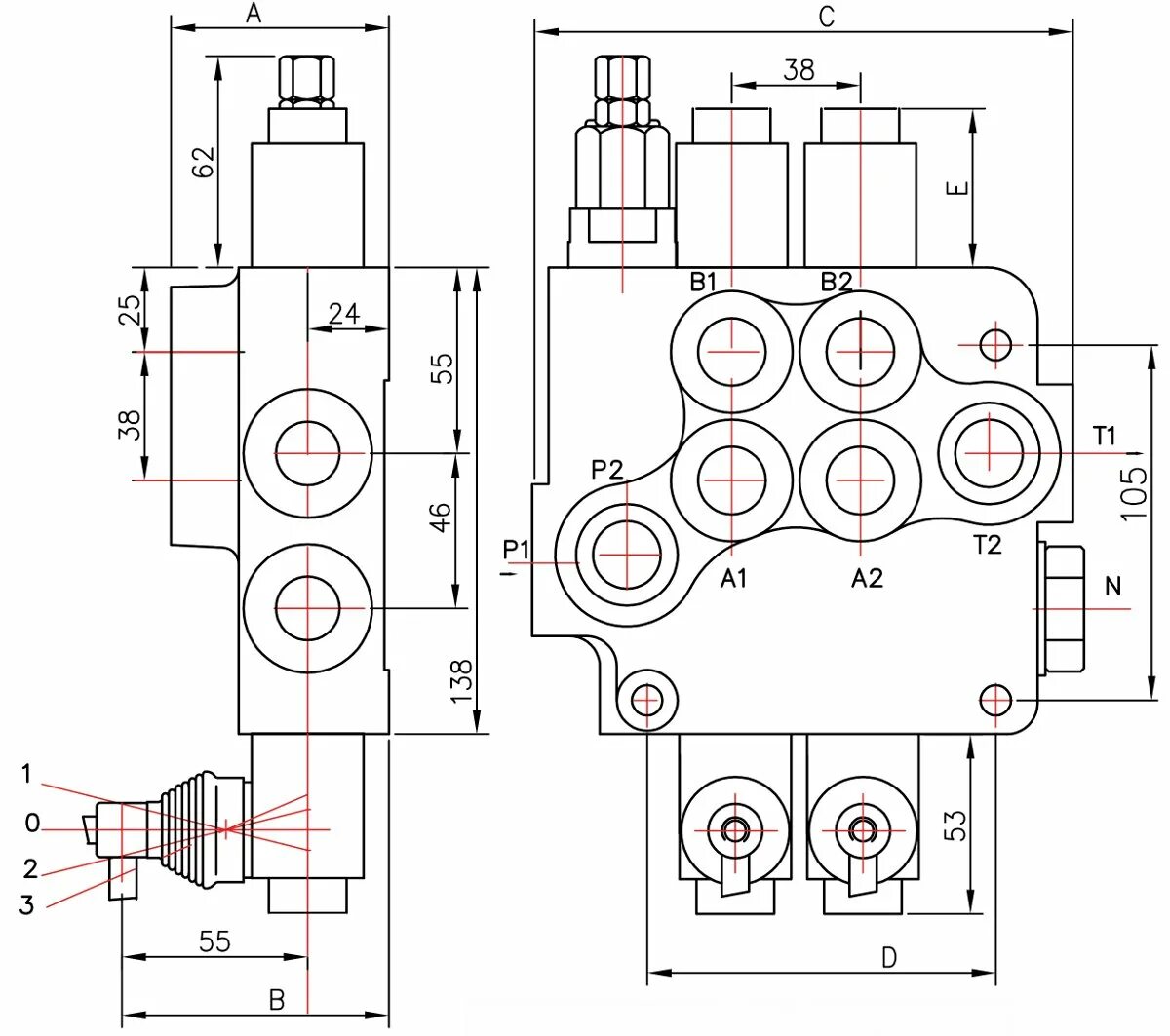
Подключение распределителя