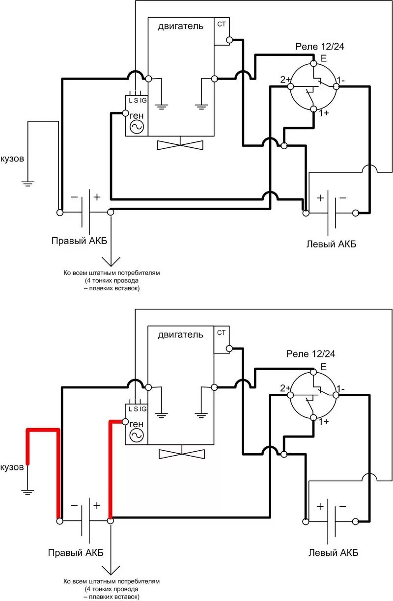
Подключение реле аккумулятора