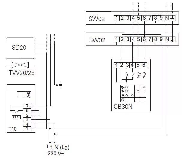
Подключение св