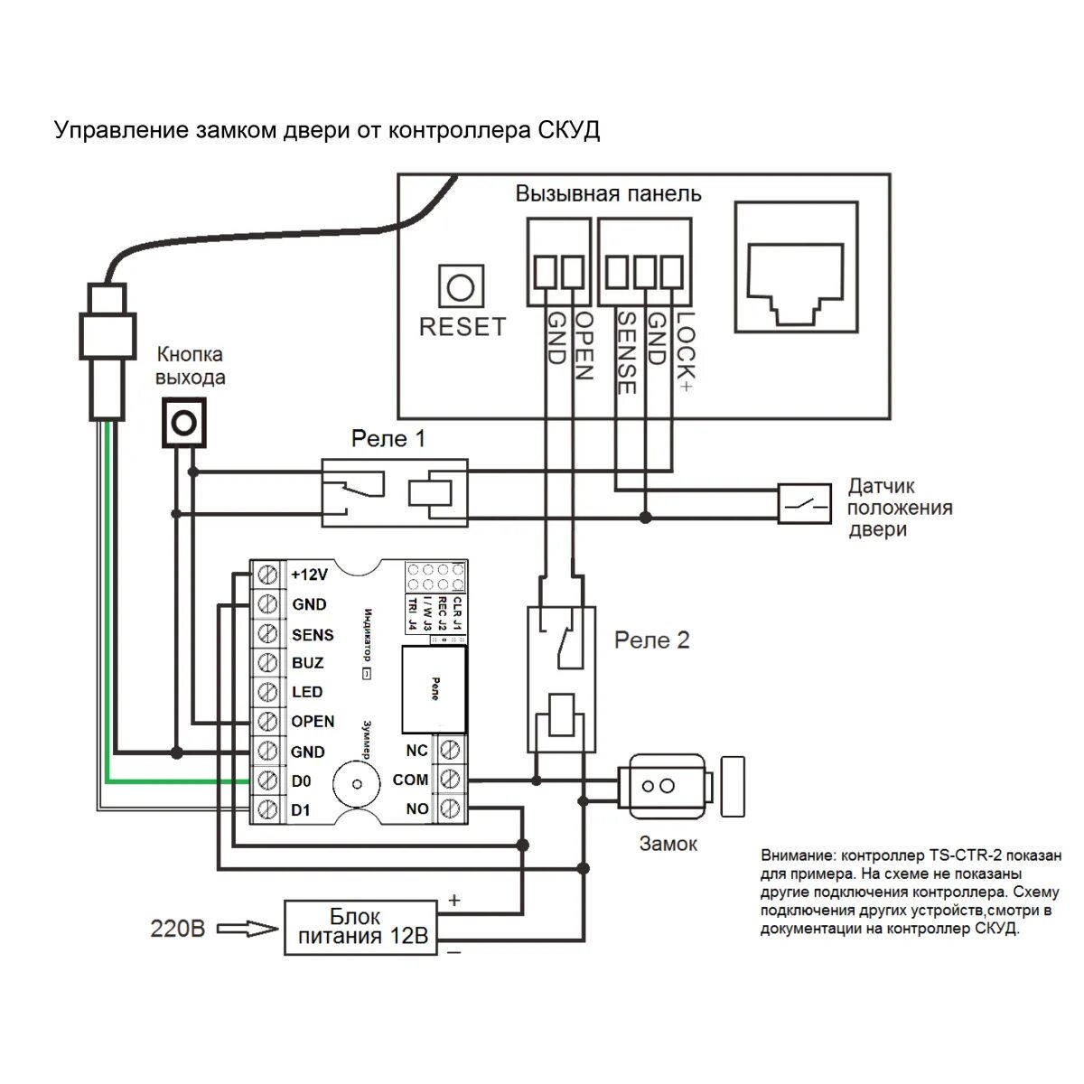
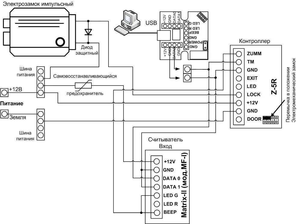
Подключение ts