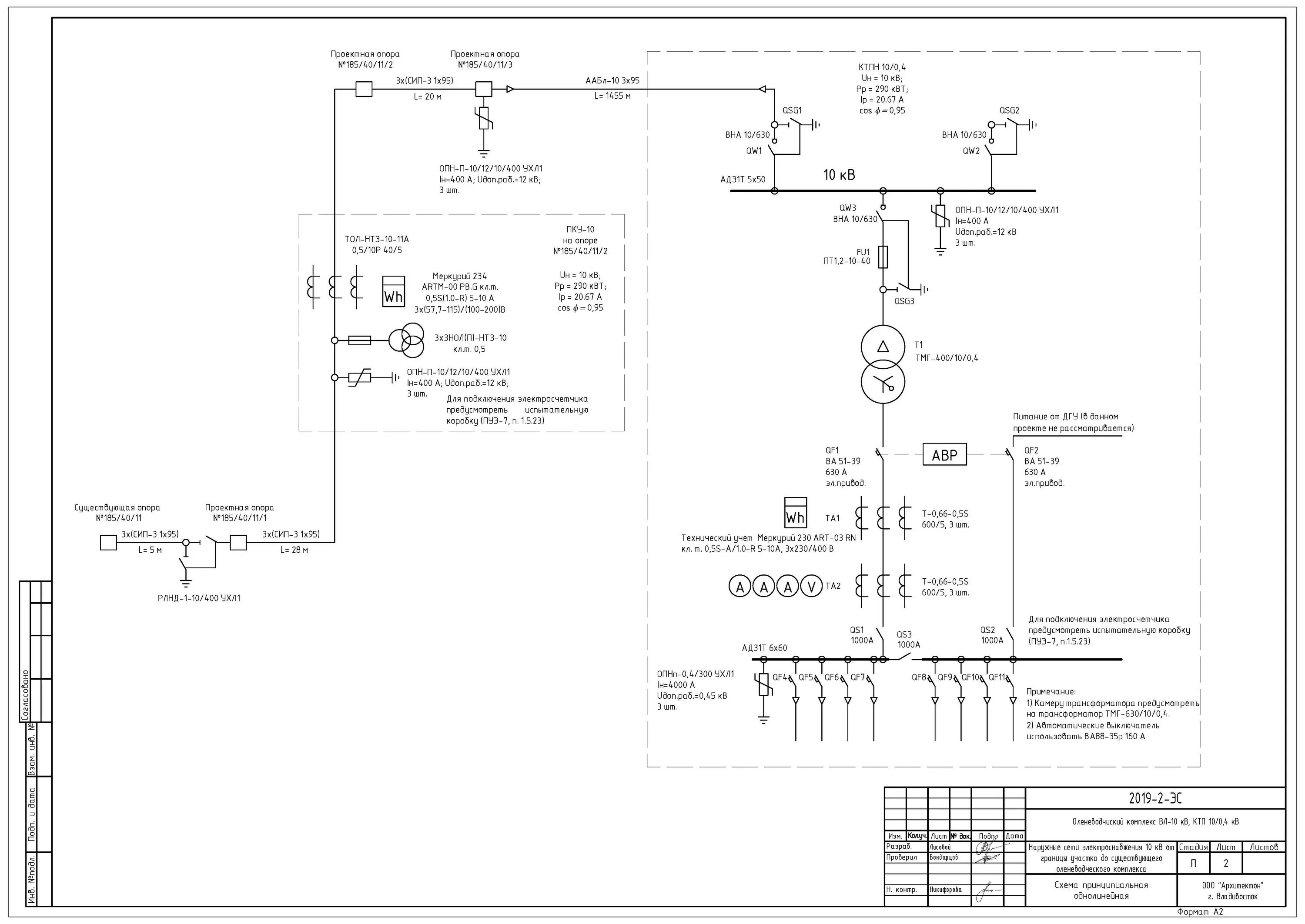
Подключение тсн