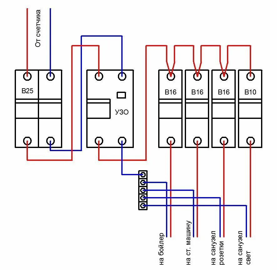
Подключение узо