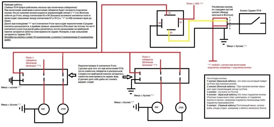
Подключение задних противотуманных фар