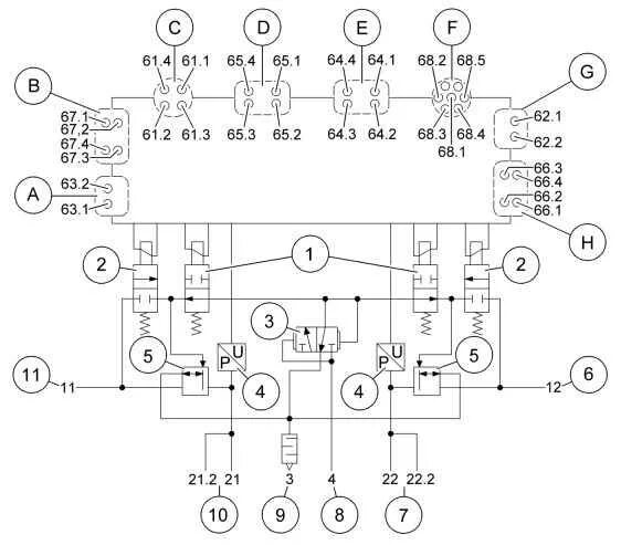
Подключения модулятора