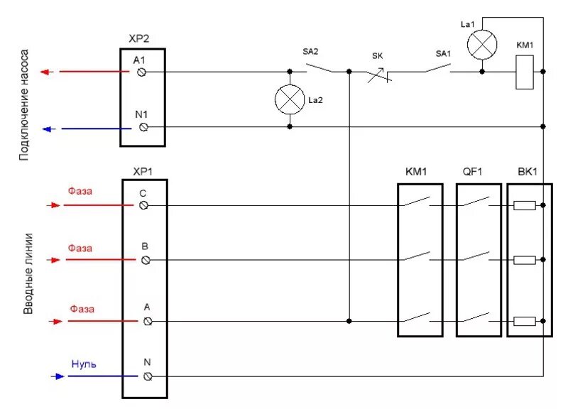
Подключить два тэна