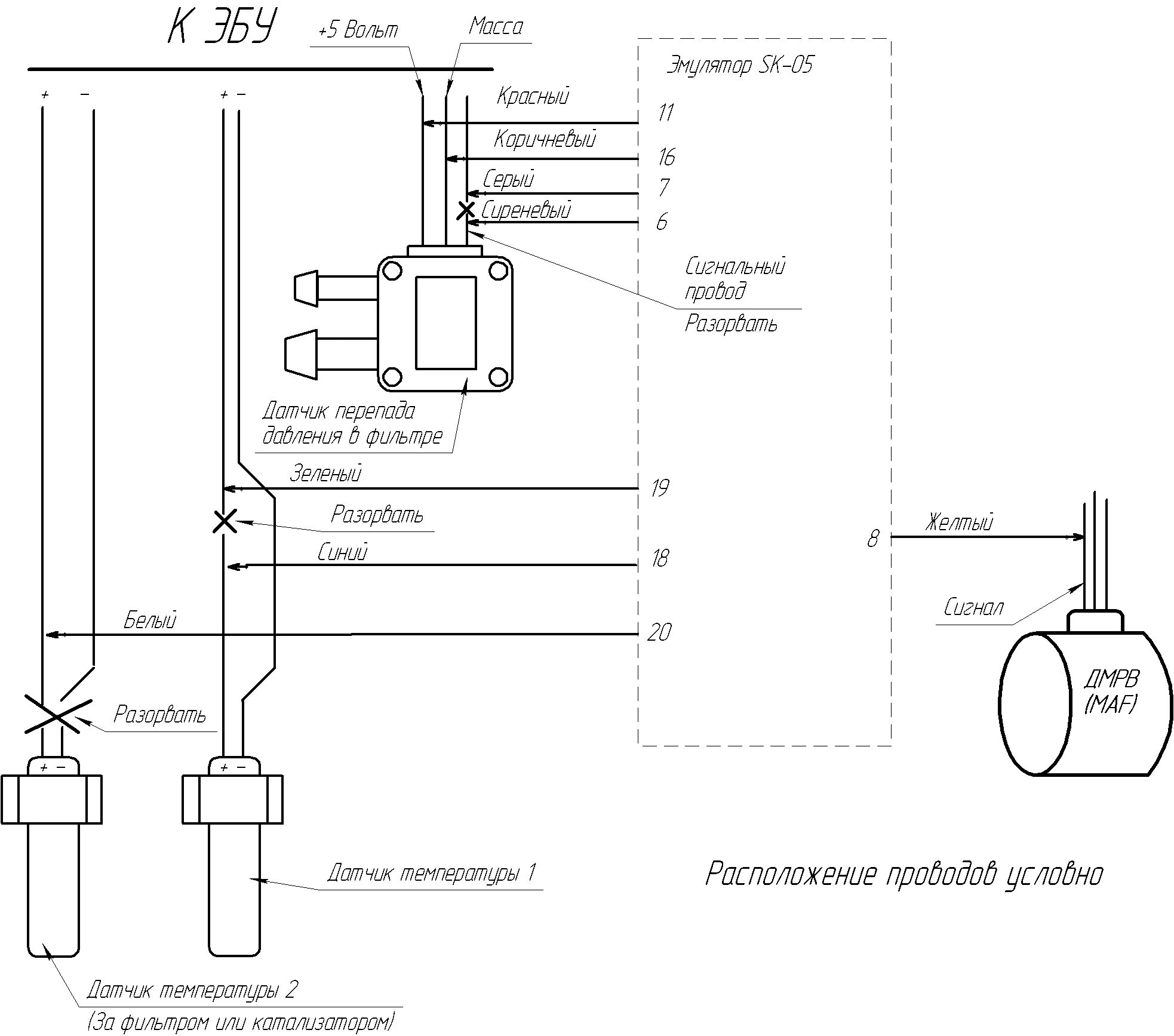
Подключить эмулятор