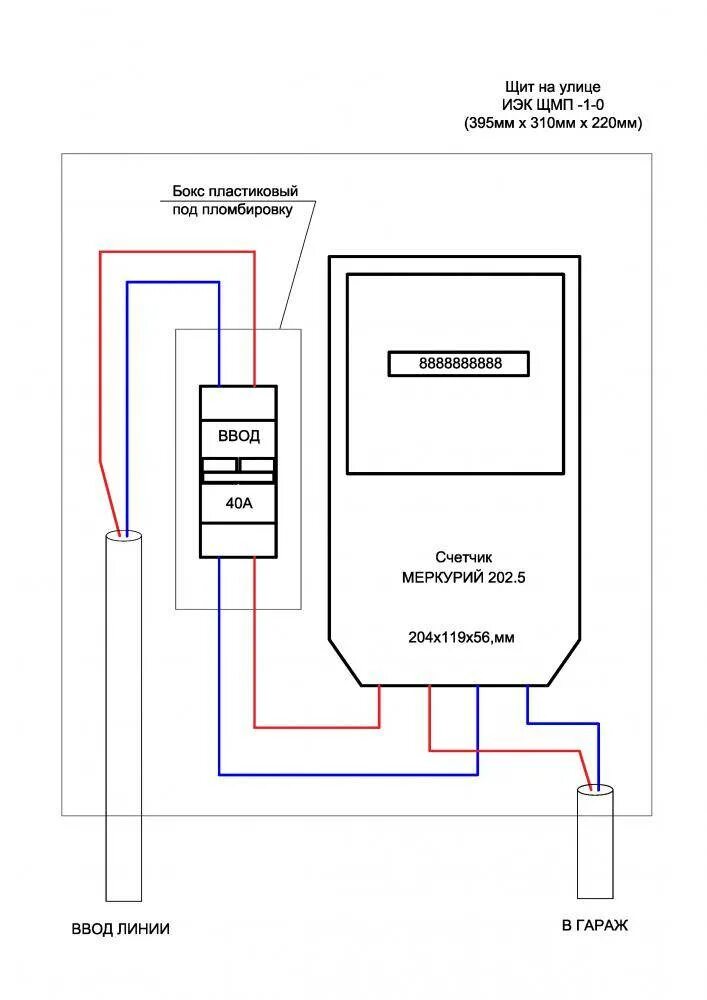
Подключить гараж