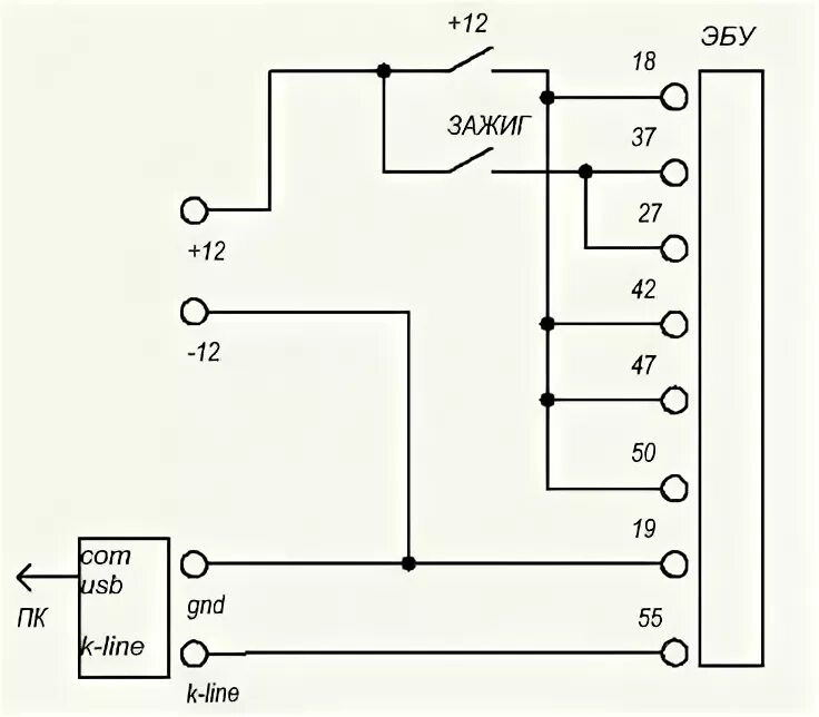
Подключить микас 7.1