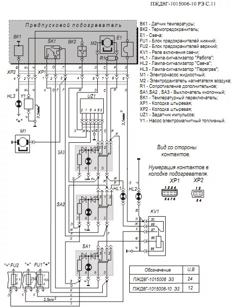
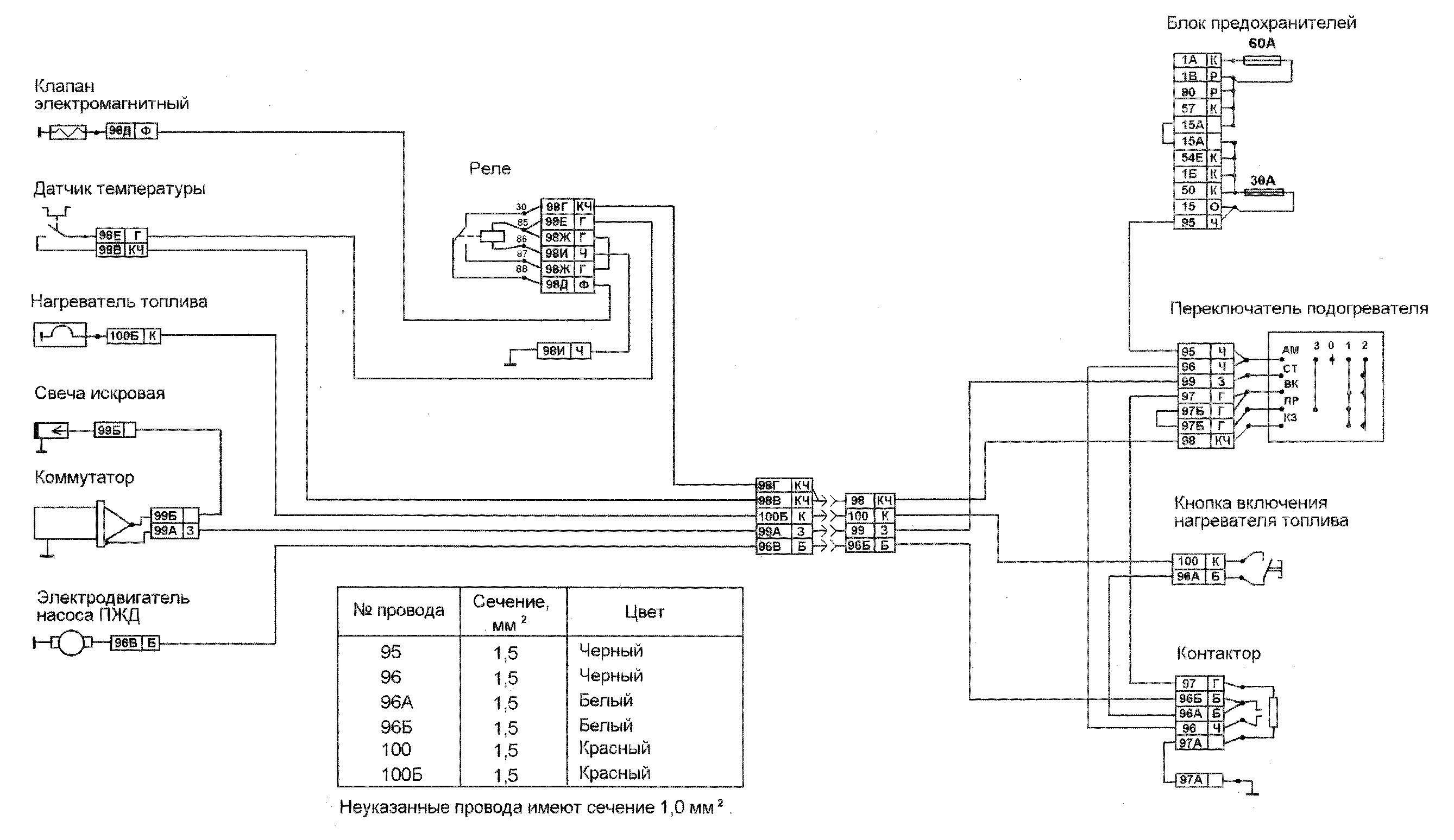
Подключить пжд