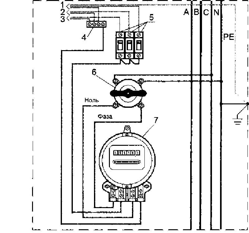
Подключить со