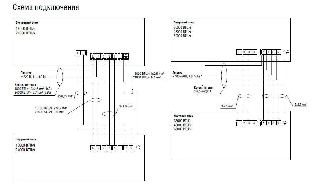
Подключить внутренний