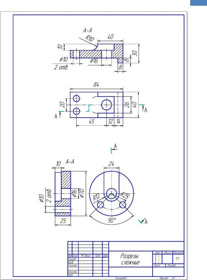
Подпись разреза