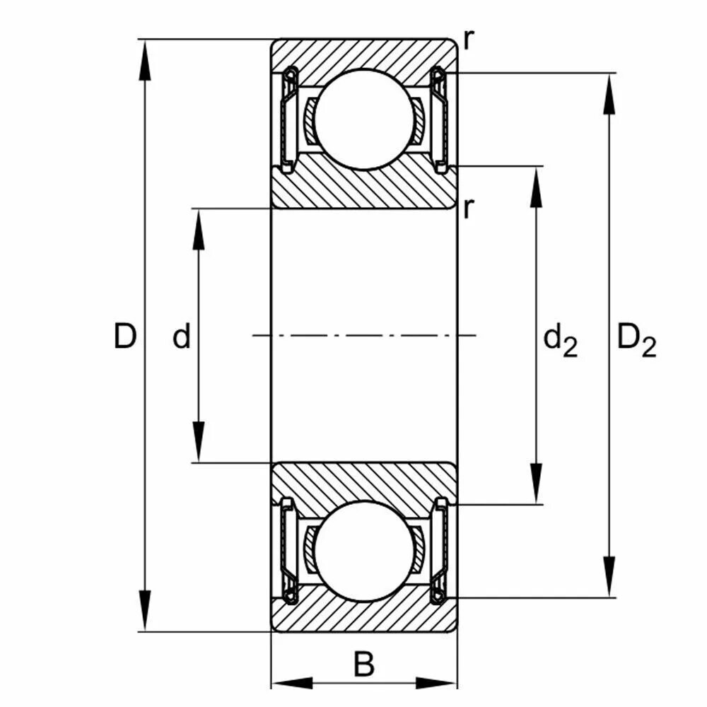
Подшипник 6000 размер