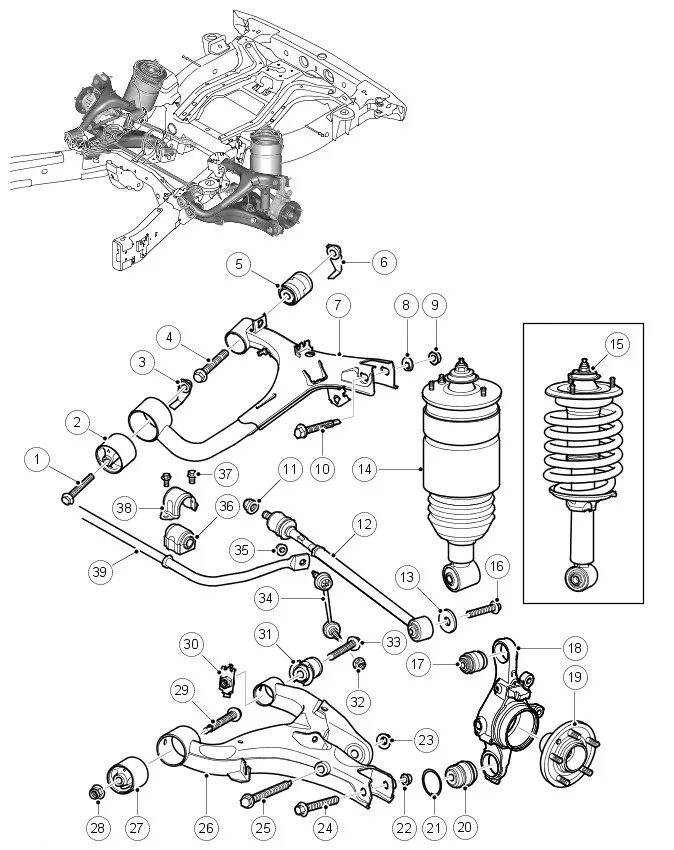
Подвеска дискавери 3