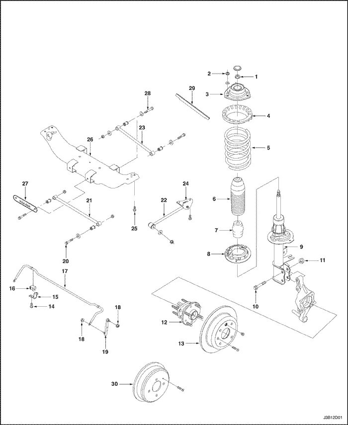
Подвеска лачетти