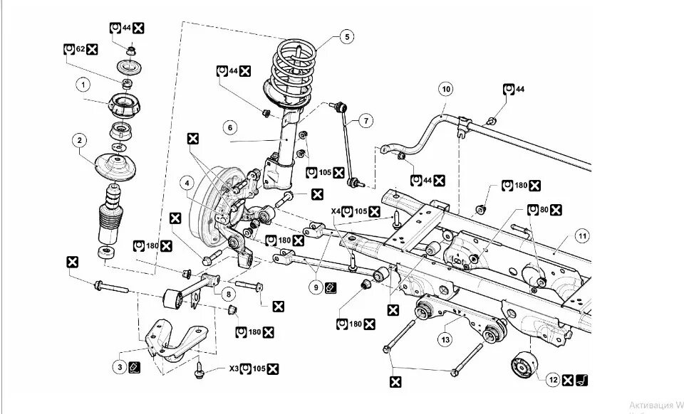
Подвеска террано 3