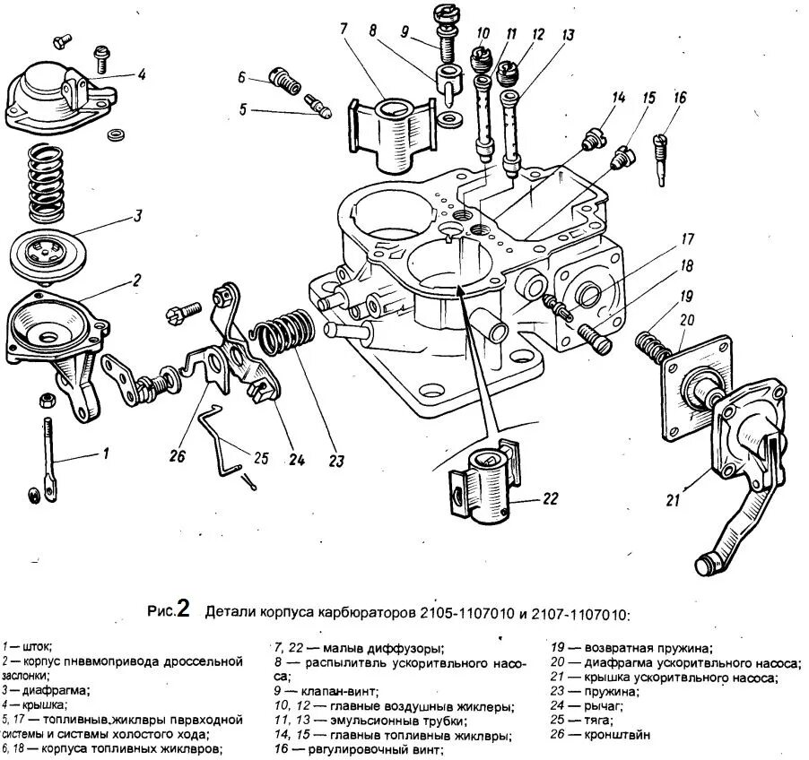
Положения карбюратора