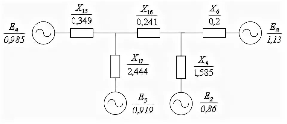
Преобразование элементов