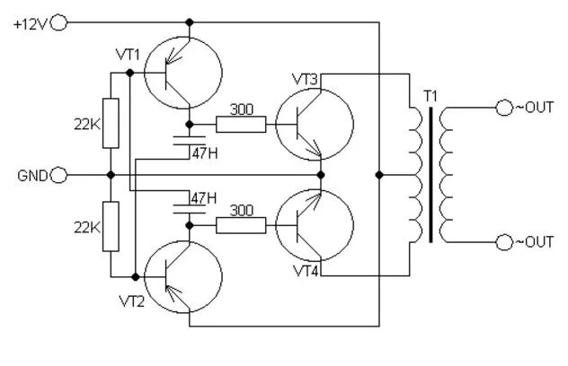
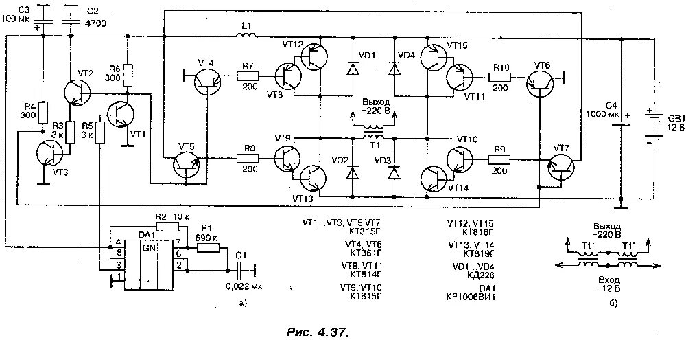
Преобразовать 220 вольт