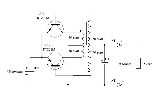
Преобразователь 1