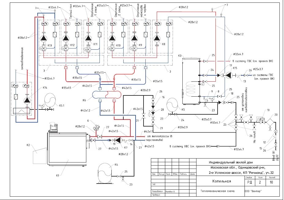
Примеры котельных