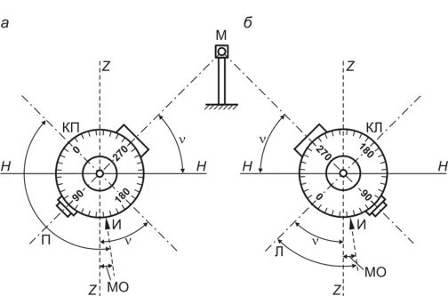
Принцип измерения вертикальных углов