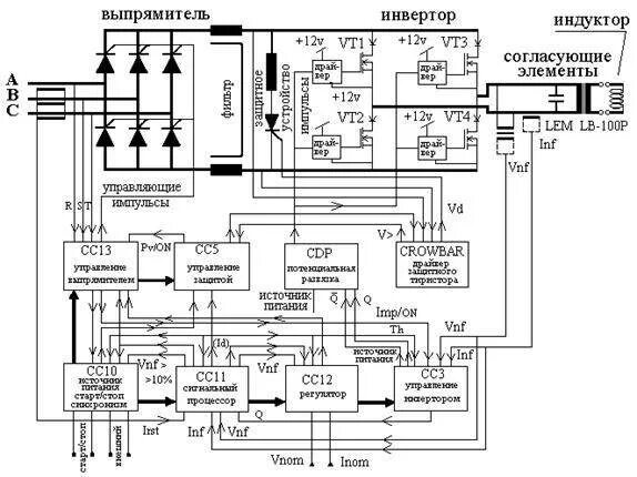
Принцип работы инверторного генератора