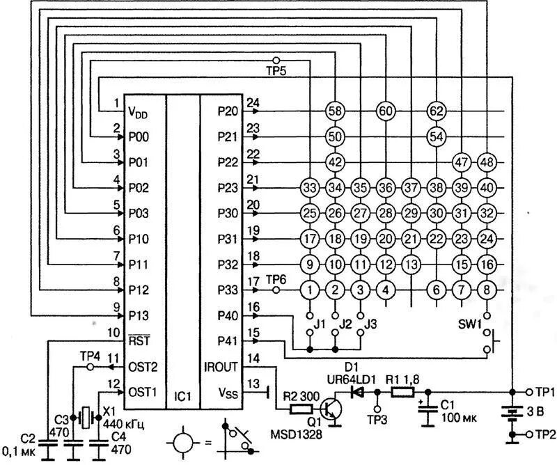
Принцип работы пульта управления