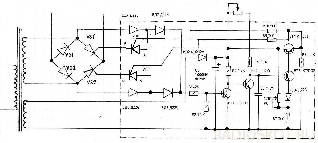
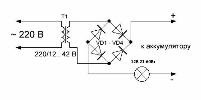
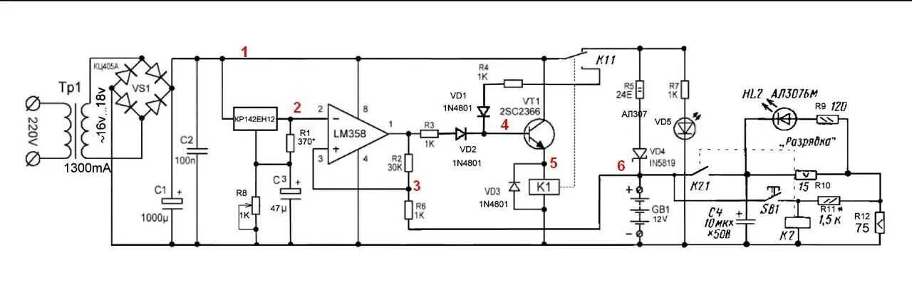
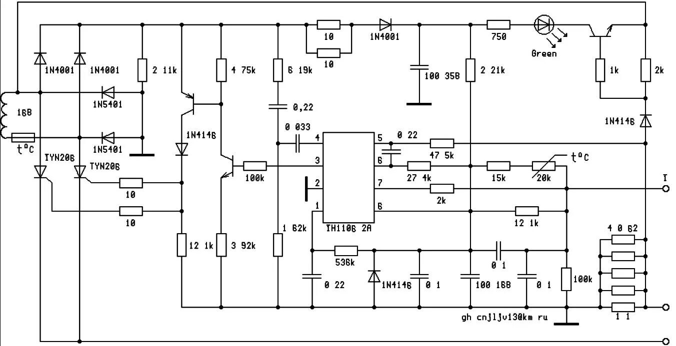
Принцип работы зу