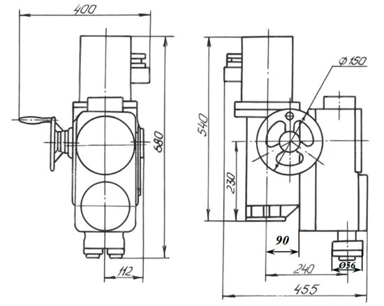
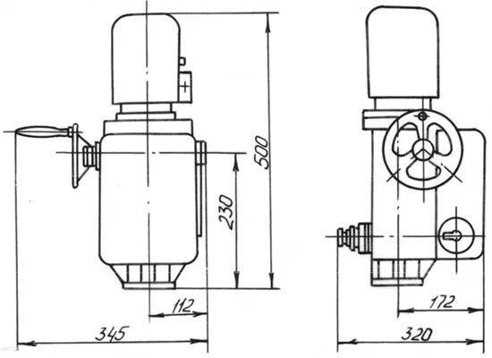
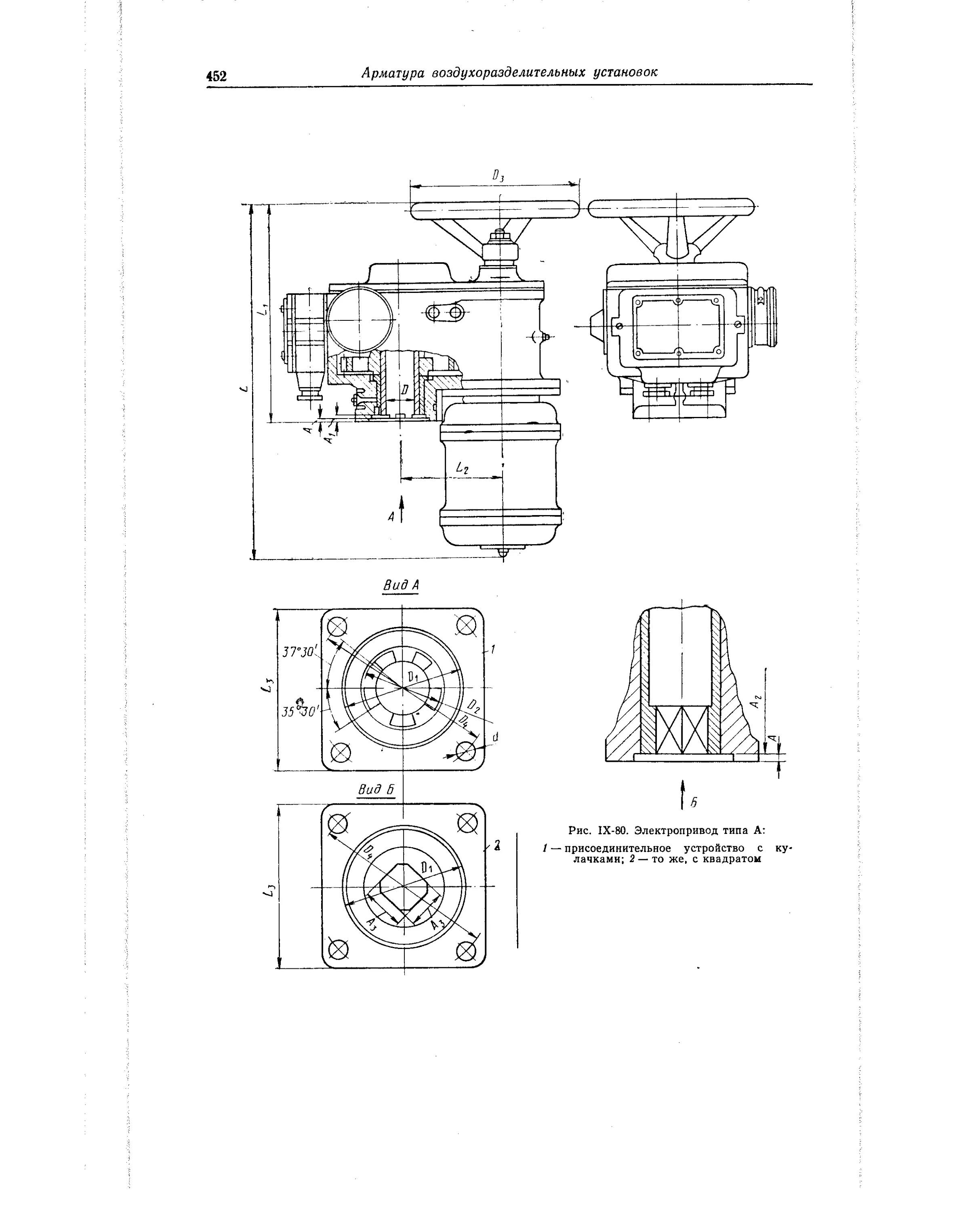
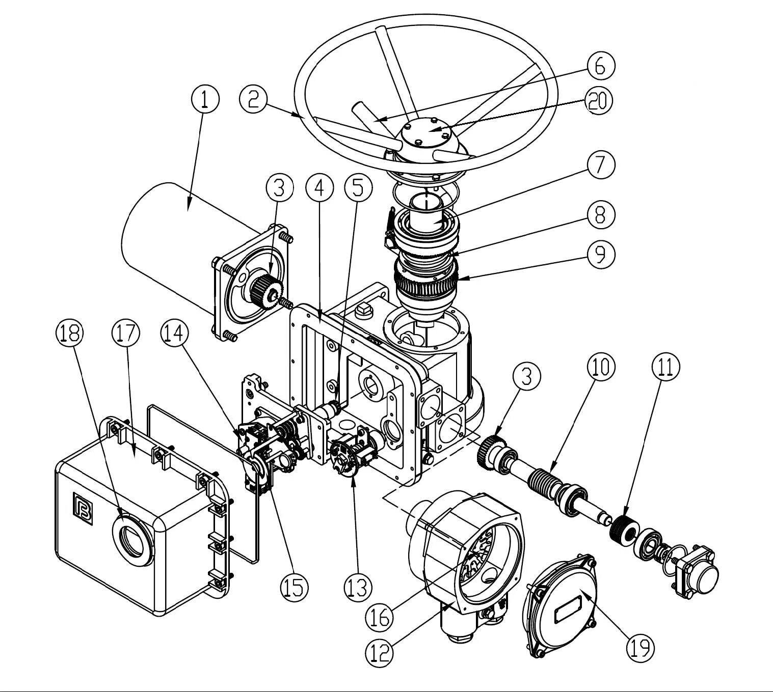
Привод типа а