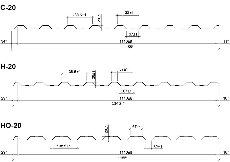
Профлист нс размеры