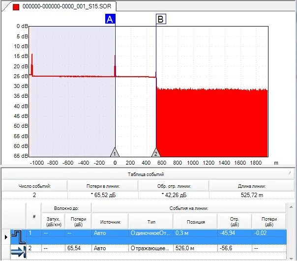
Программа для рефлектограмм