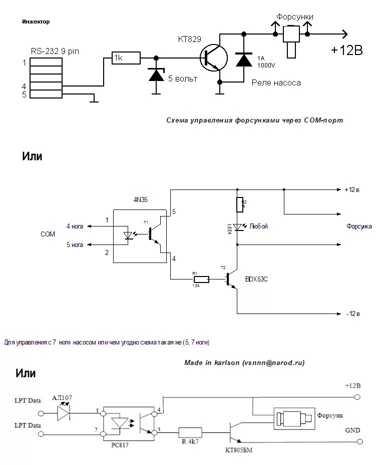
Программа форсунка