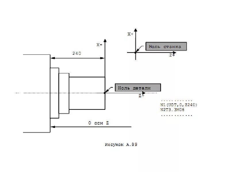
Программирование чпу с нуля для новичков